Toggle navigation
KONE Spares
1-800-343-3344
Home
Request Quote
Main Website
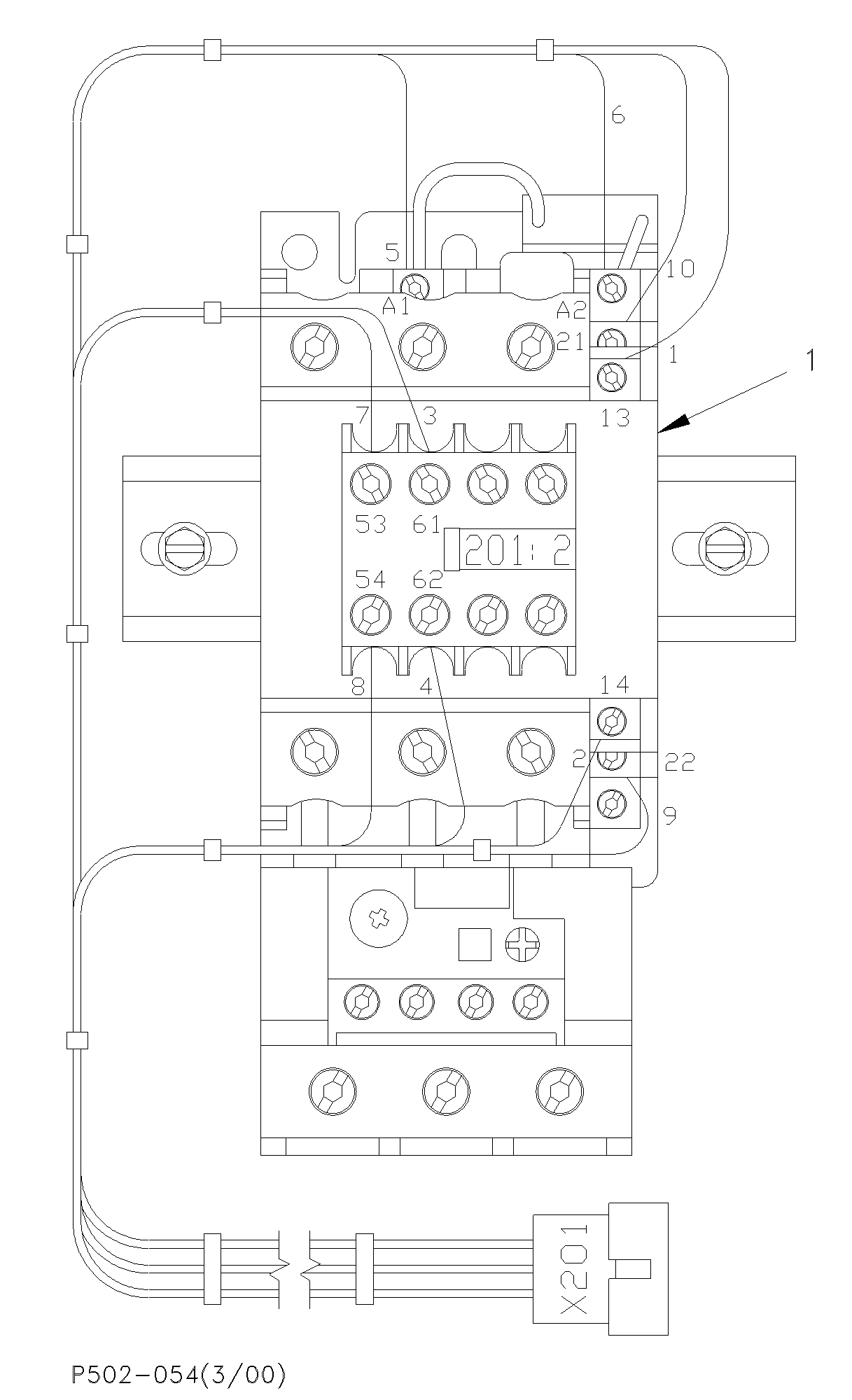
Miprom ST: Contactor, output
Select a Part for Details:
1 - USP35530001 - OUTPUT CONTACTOR,460V,25HP
1 - USP35530003 - OUTPUT CONTACTOR,460V,25HP
1 - USP35530004 - ***FULL ASSEMBLY NO LONGER AVAILABLE. SEE SAP NOTES*** OUTPUT CONTACTOR,460V,40HP
1 - USP35530005 - ***Full assembly no longer available*** OUTPUT CONTACTOR,460V,40HP BLOCKED - Components (contactor, aux, overload & US90336001/US515775 suppressor) are still available, however. As three manufacturers (Allen Bradley, Siemens & Schneider) have potentially provided this assembly, the branch needs to verify component(s) make/model 1st.
Click to Enlarge
×
Quote