Toggle navigation
KONE Spares
1-800-343-3344
Home
Request Quote
Main Website
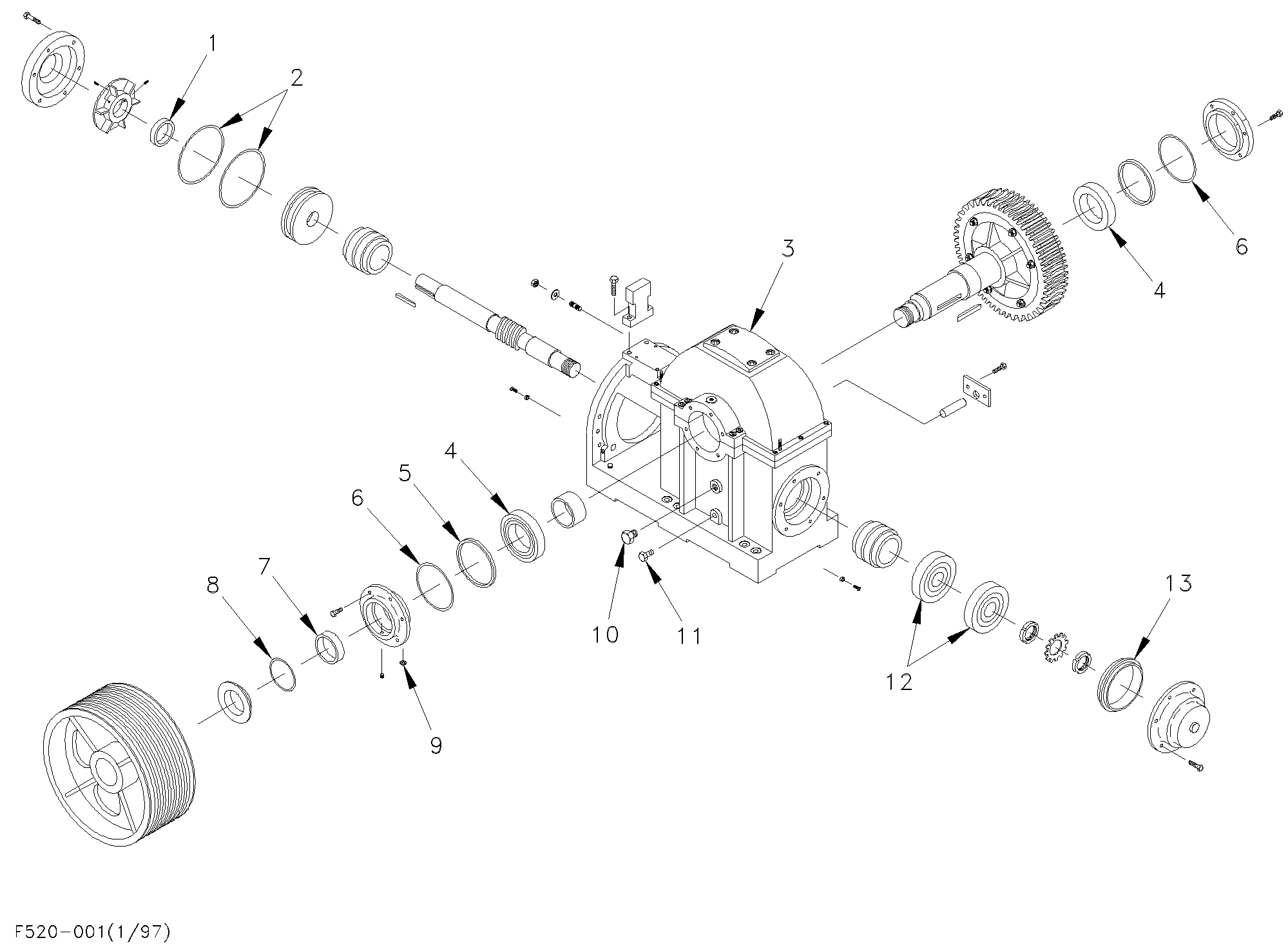
Geared MR21 / MR26 traction drive machines
Select a Part for Details:
1 - US519603 - SEAL, KONE MR21 MACHINE VITON
2 - US519604 - O-RING KONE MR21 MACHINE
3 - US519609 - ***Replaced by KM166584H01*** PLATE, SEAL MR21 MACHINE
4 - US519623 - BEARING, ROLLER KONE MACHINE
5 - US519624 - ***REPLACED BY KM103978*** SEAL, 105X130X12 KONE MACH
6 - US519607 - O-RING 179.3X5.7 KONE MACH
7 - US519621 - ***REPLACED BY DEE0590083*** SEAL, V-110A KONE MACH
8 - US519612 - ***REPLACED BY KM186734*** O-RING 139.3X5.7 KONE MACH
9 - US519614 - O-RING 15.3X2.4 KONE MACH
10 - US519619 - GLASS, SIGHT, INSPECTION OIL KONE FOR MR MACHINES
11 - US519629 - PLUG MAGNETIC KONE MACH
12 - US519622 - ***Replaced by KM252039*** BEARING, BALL KONE MACH
13 - US519628 - ***REPLACED BY KM375085H01*** RING, CALIBRATION MR21 KONE
0 - US52669001 - ***REPLACED BY KM264677*** ENCODER,1024-533-24 PPR,12V
0 - US52695001 - ***REPLACED BY US52669001*** ENCODER,1024 PPR,5V
Click to Enlarge
×
Quote